Ống phân phối khí - Giải pháp công nghệ vượt trội trong hệ thống xử lý nước thải

Đăng bởi Hai Thu vào lúc 11/03/2019

Ở các bài trước, chúng ta đã tìm hiểu về đĩa phân phối khí, máy thổi khí cạn, máy thổi khí chìm... trong hệ thống công nghệ xử lý nước thải. Ngày hôm nay, Hải Thu sẽ tiếp tục cung cấp các thông tin về sản phẩm ống phân phối khí trong hệ thống xử lý nước thải.

Sơ lược về ống phân phối khí

Trong công nghệ xử lý nước thải, ống phân phối khí (còn được gọi là ống thổi khí) là thiết bị có khả năng thổi oxy bằng những bong bong nhỏ li ti trong nước, mục đích của việc cung cấp oxy là để nuôi dưỡng các quần thể vi sinh có trong nước thải, từ đó các chất hữu cơ sẽ được oxy hóa, hoặc khử các loại khí nitơ và photpho có trong nước thải.

Ống phân phối khí OTT MAGNUM® 

Với công nghệ được cấp bằng sáng chế CLIPIN® của OTT, thời gian lắp đặt hệ thống ống phân phối khí được tối ưu, người thi công chỉ mất 1 phút cho việc lắp đặt 6 ống phân phối khí. 

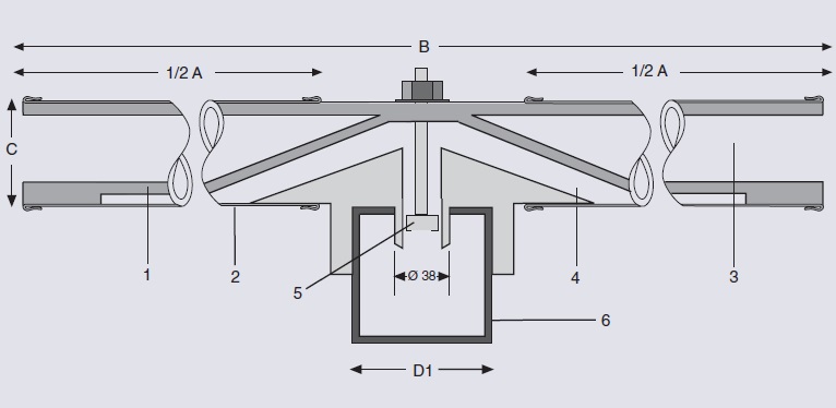
Cấu tạo và một số kích thước của ống phân phối khí

Cấu tạo của ống phẩn phối khí OTT MAGNUM® khá đơn giản, có 6 bộ phận chính như sau:

1. Xương Ống PP 2. Màng
3. Khoang ống 4. Nơi phân phối khí
5. Chốt chặn 6. Ống dẫn khí

 

Cấu tạo ống phân phối khí OTT MAGNUM® - Ống dẫn khí vuông

Cấu tạo ống phân phối khí OTT MAGNUM® - Ống dẫn khí tròn

Kích thước ống phân phối khí OTT MAGNUM® (Tham khảo)

Tùy thuộc vào yêu cầu của khách hàng, Hải Thu sẽ cung cấp các sản phẩm có độ dài tiêu chuẩn 1000mm, 1500mm, hay 2000mm. Nếu quý khách có yêu cầu đặc biệt về độ dài của ống phân phối khí để phù hợp với công trình của mình, vui lòng liên hệ với chúng tôi để được tư vấn.

Ứng dụng của ống phân phối khí 

Với mỗi loại sản phẩm với vật liệu màng khác nhau của ống phân phối khí sẽ đem lại các ứng dụng khác nhau trong thực tế. Cụ thể, ống phân phối khí OTT MAGNUM® có 2 loại sản phẩm như sau:

  • FLEXNORM® (Màng EPDM): ống phân phối khí với màng EPDM được ứng dụng trong các hệ thống xử lý nước thải sinh hoạt, bệnh viện, chế biến thực phẩm, nước thải khu công nghiệp...v.v Loại sản phẩm này đặc biệt tốt đối với các nhà nuôi trồng thủy sản (nuôi tôm, cá...)
  • FLEXSIL® (Màng Silicone): đối với màng Silicone, có thể ứng dụng lắp đặt trong hệ thống xử lý nước thải khu công nghiệp, nước thải hóa dầu. 

Ống phân phối khí được lắp đặt trong bể bùn hoạt tính

Ống phân phối khí được lắp đặt trong bể bùn hoạt tính

Ưu điểm của ống phân phối khí trong thực tế

  • Lắp đặt cực kì nhanh gọn và đơn giản với công nghệ được cấp bằng sáng chế CLIPIN®
  • Có khả năng tự làm sạch trong quá trình vận hành
  • Xương Ống PP có khả năng kháng hoàn toàn Axit Fomic, chịu nhiệt lên tới 120°C. Cực kì bền, tuổi thọ cao
  • Cung cấp lưu lượng Oxy lớn và ổn định giúp tiết kiệm chi phí điện năng tiêu thụ trong các hệ thống xử lý nước thải
  • Sử dụng các loại màng đặc biệt cho mọi loại nước thải
  • Sử dụng nguyên vật liệu làm bằng Popypropylene thân thiện với môi trường
  • Có 2 loại đầu dẫn khí vuông và tròn
  • Sản phẩm nguyên khối, không sử dụng chất kết dính
  • Khả năng cung cấp nồng độ oxy cao

Quý vị chưa biết nên mua sản phẩm ống phân phối khí chính hãng ở đâu?

Nếu quý vị quan tâm đến sản phẩm ống phân phối khí nhưng chưa biết đại lý uy tín nào để mua hàng và lắp đặt, Công Ty TNHH Vật Tư Thiết Bị Cấp Thoát Nước Hải Thu chính là đại lý uy tín, phân phối độc quyền sản phẩm ống phân phối khí OTT MAGNUM® - Made in Germany. Nếu quý vị quan tâm về máy thổi khí cạn, máy thổi khí chìm, ống phân phối khí, đĩa thổi khí...v.v trong hệ thống xử lý nước thải thì hãy liên hệ tới chúng tôi để được tư vấn:

Showroom: 105 Trần Duy Hưng, Trung Hòa, Cầu Giấy, Hà Nội
Hotline: 0982872887
E-mail: haithuco@fpt.vn

Bình luận (6258 bình luận)
binh-luan

briannakj2

11/12/2022

Scandal porn galleries, daily updated lists http://aboutuporn.spanishpornpics.kanakox.com/?post-johana amature nude men movies porn sarah jayned porn free sitting porn ebony porns star india fucking draggin ladies smoking porn

binh-luan

Orlandocap

11/12/2022

Самый быстрый способ прогнать сайт — найти грамотного специалиста и доверить это ему. Просто вбейте в поисковую строку на сайте Kwork запрос типа: прогон сайта онлайн. Вы совершенно точно сможете найти то, что искали. Подробнее: СЕО-продвижение сайта в Яндексе.

binh-luan

JudianCal

11/12/2022

Продажа изделий из меха соболя и других изделий из меха. Бесплатная консультация, свитер из соболя. Быстрая и бесплатная доставка по Москве. купить шубу из соболя цена в москве шуба из баргузинского соболя сколько стоит - http://sobolinye-shuby.ru http://google.md/url?q=http://sobolinye-shuby.ru Шубы из меха соболя по выгодным ценам с примеркой перед покупкой и быстрой доставкой в Москве. 9d35b0b

binh-luan

Marketing Cag

11/12/2022

Только и знает клиенты выступают SEO спеца некоторым шаманом, исполняющим без- очевидный (а) также уклончивый список работ. НА этой статье наш брат разглядим эмпиричный экстензо занятий SEO специалиста. Сотрудничество с компанией по маркетингу В последнем вчера усиление ссылочной массы было узловою задачей SEO продвижения. Благодаря приобретению чи аренде ссылок на различных царство безграничных возможностей ресурсах, SEO умелицы продвигали сайтики свойских покупателей в течение поисковой выдаче. Шаг за шагом искательские алгоритмы менялись и еще, уже ко 2013 годку, трансвлияние гиперссылок чтобы поисковой способ организации Яша свелось к минимальным значениям.

binh-luan

IiaaaCal

11/12/2022

Продажа шуб из соболя и других изделий из меха. Примерка перед покупкой, итальянские шубы из соболя фото. Бесплатная доставка по Москве. [url=https://sobolinye-shuby.ru]шуба из соболя серая[/url] шуба из соболя летучая мышь - [url=http://www.sobolinye-shuby.ru/]https://www.sobolinye-shuby.ru[/url] [url=http://anseo.ru/sites/?url=sobolinye-shuby.ru]http://www.google.to/url?q=http://sobolinye-shuby.ru[/url] [url=https://beste-sportwetten.com/index.php/2019/11/22/welcome-to-cloudways/#comment-6831]Соболиные шубы с быстрой доставкой в Москве.[/url] d80071d

VIẾT BÌNH LUẬN CỦA BẠN:
popup

Số lượng:

Tổng tiền:

Công Ty TNHH Vật Tư Thiết Bị Cấp Thoát Nước Hải Thu – HAI THU CO.,LTD
ĐĂNG NHẬP
Nhận nhiều ưu đãi hơn
Danh mục